川那
智能科技
首页
关于我们
产品中心
新闻中心
联系我们
English
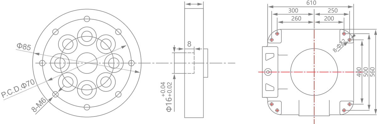
CN30-B
法兰图/底座安装图
外形尺寸及运动范围